Product details GAY 25-XL-NPP-B INA
Product number:
GAY 25-XL-NPP-B
Brand:

Product name:
bearing
Structure:
Y-bearing
Sizes:
25X52X15/27
Suffixes:
NPPB - Két oldalt tömített, domború palást
Replacements:
GAY 25-NPP-B*INA YAT 205 SB 205 AS 205 D1Replacements
| Photo | Product number | Sizes | Stock |
|---|---|---|---|
|
SB 205*KOYO | 25X52X27/15 |
|
|
|
SB 205 (YAT 205)*ELW |
|
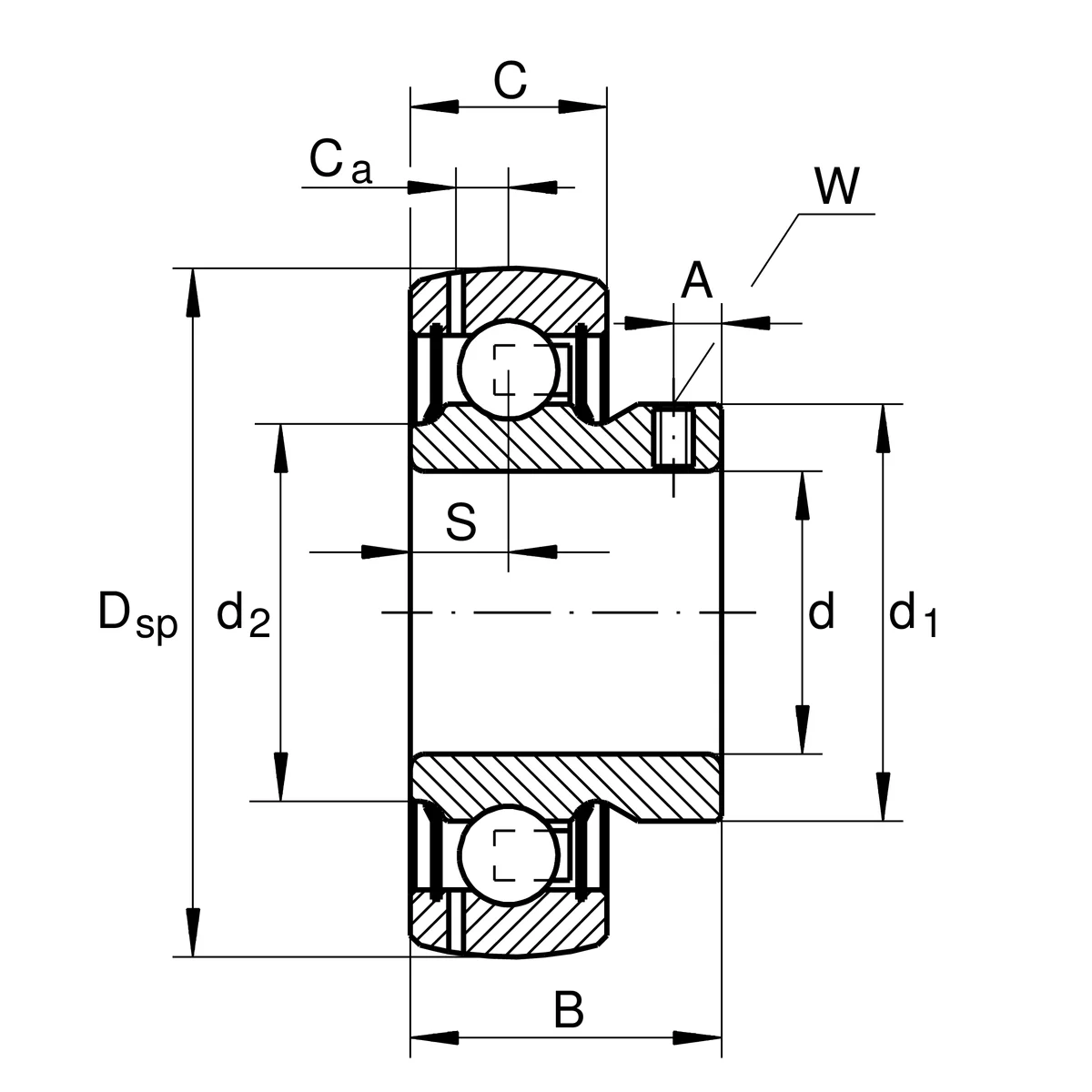
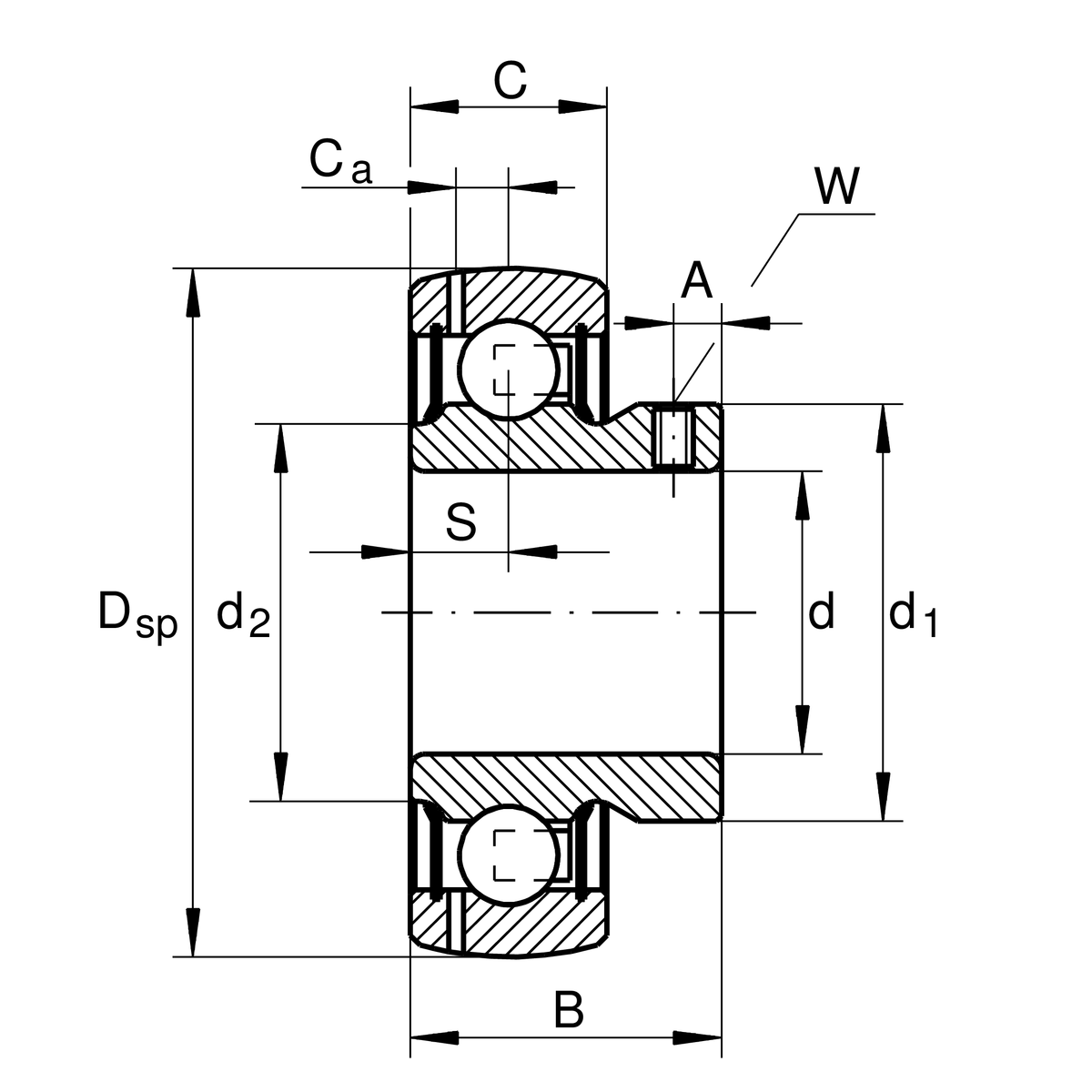
Product details from catalogue
| d | Bore diameter | 25 mm |
| DSP | Outside diameter | 52 mm |
| B | Width | 27 mm |
| Cr | Basic dynamic load rating, radial | 14.000 N |
| C0r | Basic static load rating, radial | 7.800 N |
| Cur | Fatigue load limit, radial | 410 N |
| ≈m | Weight | 0,15 kg |
| C | Width, outer ring | 15 mm |
| S | Distance raceway | 7,5 mm |
| d1 | Rib diameter inner ring | 33,5 mm |
| d2 | Rib diameter sealing inner ring | 30,4 mm |
| Ca | Distance to lubrication hole | 3,9 mm |
| A | Distance thread | 5 mm |
| W | Width of flats | 2,5 mm |
| f0 | Calculation factor | 13,8 |
| Sealing | Lip seal on both sides | NPP |
| Shape of outer surface | B | B |